VC20

Sistema de control de buques

Especificaciones

Tipo
Sistema de control

El VC20 es el sistema de control de buques de 2ª generación de YANMAR que controla todos los motores YANMAR gestionados electrónicamente. Con una gestión eléctrica simplificada, una apariencia de alta calidad y mejoras funcionales significativas, la nueva generación del sistema de control de embarcaciones YANMAR VC20 se integra con la línea completa de series de motores common rail, transmisiones, controles y pantallas de YANMAR.

El VC20 es un sistema de bus CAN basado en J1939 que cuenta con una red dedicada a cada motor y viene de serie con un panel de reserva de emergencia, lo que garantiza la máxima fiabilidad. Con conexiones NMEA incorporadas, el VC20 puede conectarse fácilmente a otros múltiples accesorios o sistemas de la embarcación.

El sistema ha sido desarrollado íntegramente por YANMAR para cumplir las estrictas normas de calidad y fiabilidad de la empresa. El VC20 controla todas las funciones del motor y de la transmisión YANMAR y muestra las alarmas del motor y los códigos de diagnóstico en la pantalla.

Más información

El VC20 tiene una nueva arquitectura eléctrica simplificada. El sistema es fácil de instalar e incluye controles, una o más pantallas digitales en color, con salida de calibre NMEA2000 o J1939 y todo el cableado. El resultado es el uso de menos componentes y arneses, lo que hace que la instalación sea más fácil y rápida para los constructores y distribuidores de embarcaciones.

Además de las mejoras funcionales con respecto al sistema de control de barcos VC10 existente, el nuevo sistema de control de barcos VC20 también contará con cabezales de control y paneles de control de nuevo diseño. El diseñador interno de YANMAR, Ken Okuyama, ha mejorado significativamente el diseño del equipo de control de barcos de YANMAR, dándole una apariencia y sensación de mayor calidad.

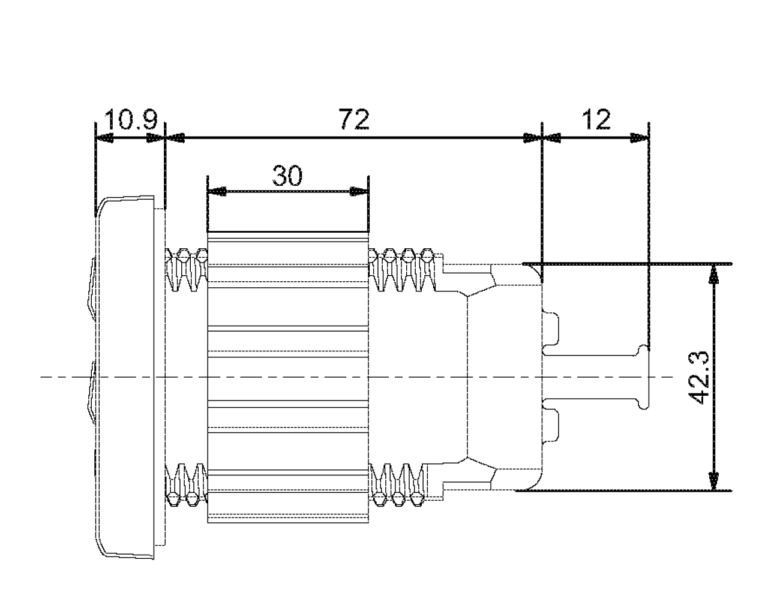
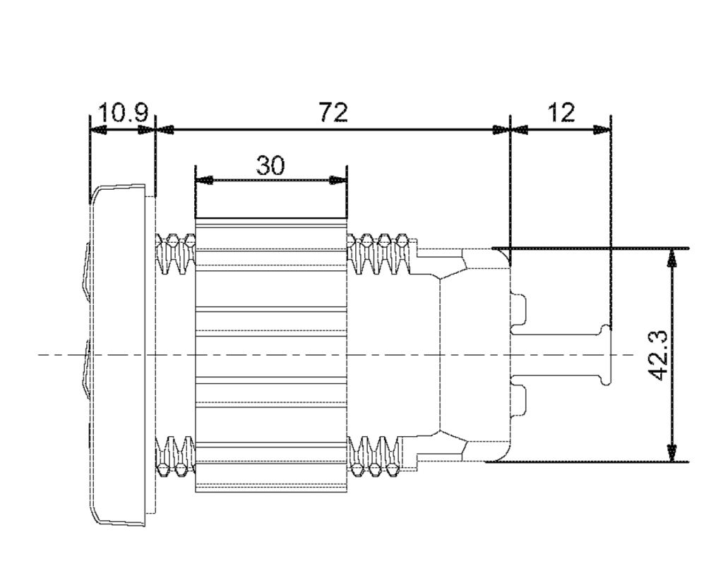
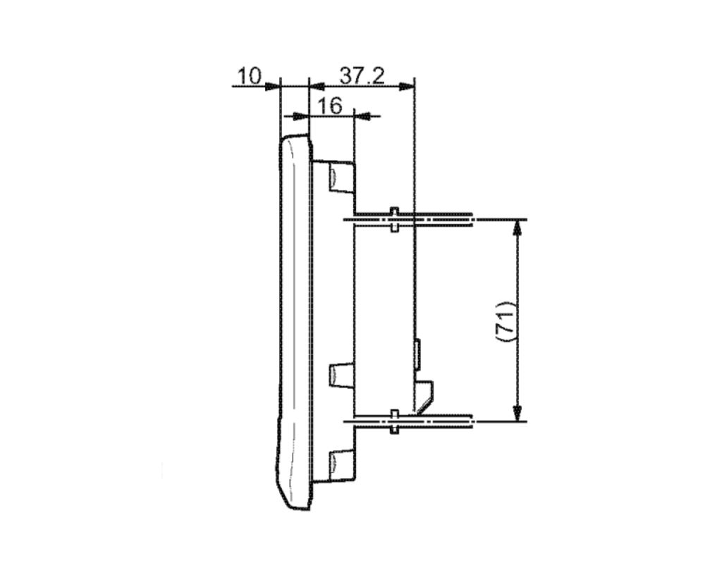
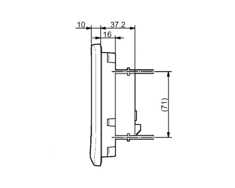
Dibujos técnicos

Descargas

VC20 Datasheet & Leaflet (A4) - PDF
VC20 Datasheet & Leaflet (Letter) - PDF
164000-107x0 CAN converter - STP
164000-30010 Backup panel - STP
164000-38000 DC-DC converter - STP
164000-41010 CH Inboard single - STP
164000-41030 CH Inboard twin - STP
164000-41040 CH Sterndrive single - STP
164000-41050 CH Sterndrive twin - STP
164000-41080 CH Inboard single RH - STP
164000-41110 CH Sidemount - STP
164000-44000 Shift actuator - STP
164100-31500 Emergency switch - STP
164200-10000 Helm ECU - STP
164200-10020 Control head ECU - STP
164200-10410 Raymarine autopilot gateway - STP
164200-10510 Eshift controller - STP
164200-108x0 Drive ECU - STP
164200-37200 Switch panel dual template
164200-37210 Switch panel single templat
164000-41110 CH Sidemount template
164200-41120 CH Inboard twin - STP
164200-41130 CH Sterndrive single - STP
164200-41140 CH Sterndrive twin - STP
164200-43200 Steering unit helm STP
164200-43300 Steering assy tilt STP
164200-5100x VC20 Display template
164200-5100x VC20 Display STP
164000-30010 Backup panel template
164200-411x0 CH template
164200-41110 CH Inboard single STP
164200-37200 Switch panel dual STP
164200-37210 Switch panel single STP
164000-410x0 CH template
164200-43300 Steering assy tilt template
164200-5100x VC20 Display template
164200-30000 Backup panel STP
164200-30000 Backup panel template

Productos compatibles

Ir al contenido