Newe-saildriveelectric motorelectric propulsionelectric saildriveemotorsaildrive
SDe15
Specifications
- Rated output
- 15 kW / 20.4 mhp
- Rated Speed
- 2700 rpm
- Type
- SailDrive
- Max Speed
- 2900 rpm
- Max Speed (Reverse Boost)
- 3300 rpm
- Rating
- S2-60
- Gear Ratio
- 2.13
- Dry Weight
- 78.0 kg
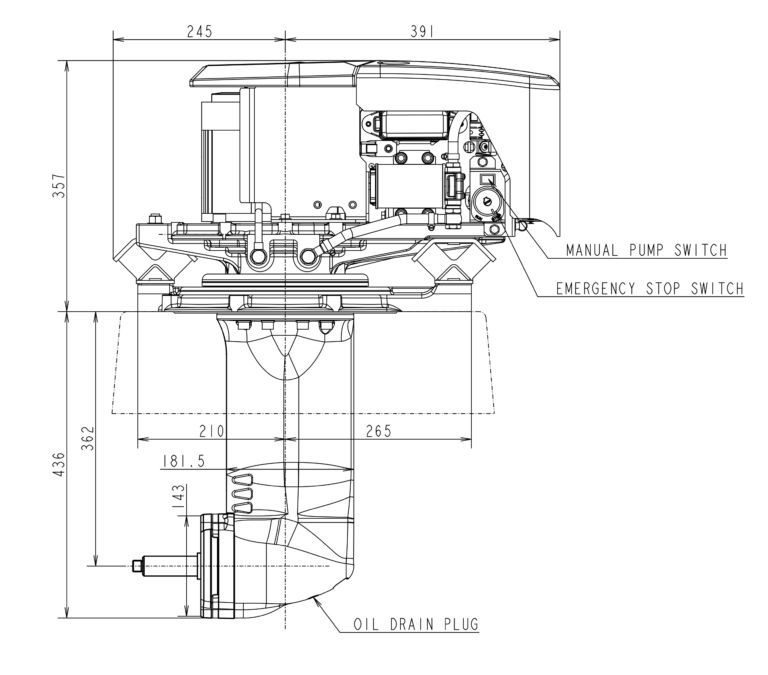
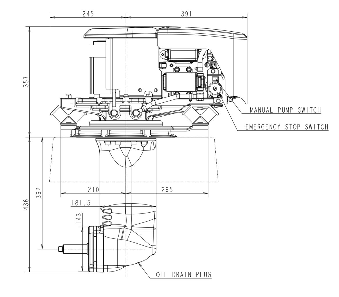
- Dimensions (mm)
- 793 x 636 x 424
- Nominal Voltage
- 48 VDC
- Battery Technology
- Lithium-ion LiFePO4
NOTE:
15 kW @2700 rpm*
Note: Battery and propeller are not included in standard delivery
S2-60 = Minimum 60 minutes at full rated output,
at sea water temperature 30 degrees C,
ambient air temperature 50 degrees C
Newe-saildriveelectric motorelectric propulsionelectric saildriveemotorsaildrive
SDe15
Performance Curves
Technical Drawings
Packages
Standard Engine Package
• Battery cable connectors
• Display
• Control head (side mount or top mount)
• Switch panel
• Backup panel
• Harnesses [3m, 5m, 10m, 20m]
• Terminator
Optional Accessories
• E-stop switch
• CAN cables
• Lanyard switch
• Battery
• Propeller

Questions and Support
Learn more by searching our FAQs or find your local dealer or distributor from our global network. You can also complete our Contact form for corporate and non-technical questions below.