EY18,22シリーズ 出力:500~1235kW

ユニット主要目
本機は、仕様・オプション等により異なります。
| 項目 | 6EY18LW | 6EY18ALW | ||||
|---|---|---|---|---|---|---|
| 駆動 ユニット |
ディーゼル エンジン |
回転速度(min-1) | 750 | 1000 | ||
| 定格出力(メーカー標準 条件)(kW) |
500 | 550 | 550 | 660 | ||
| 定格出力(揚・排水機場 条件)(kW) |
475 | 520 | 520 | 625 | ||
| 形式 | 立形直列水冷4サイクル | |||||
| シリンダ数(Cyl.) | 6 | |||||
| 内径x工程(mm) | Φ180x280 | |||||
| 回転方向 | 出力軸(ハズミ車)側より見て左 | |||||
| 使用燃料油 | JIS 1種2号相当以上(A重油 セタン価≧45) | |||||
| 使用潤滑油 | APIサービス分類CE級またはCD級 | |||||
| 始動方式 | エアモータ式 | |||||
| 燃焼方式 | 直接噴射式 | |||||
| 潤滑方式 | 歯車ポンプによる自動注油式 | |||||
| 冷却方式 | 強制循環清水冷却式 | |||||
| 過給方式 | 排気ガスタービン(空気冷却器付) | |||||
| 備考 | 標準の排気口径(A) | 250 | ||||
| 排気許容背圧(Pa) | 4900以下(揚・排水機場条件:3430以下) | |||||
| 乾燥質量(kg) | 8300 | |||||
| 項目 | 6EY22LW | |||
|---|---|---|---|---|
| 駆動 ユニット |
ディーゼル エンジン |
回転速度(min-1) | 750 | |
| 定格出力(メーカー標準 条件)(kW) |
800 | 925 | ||
| 定格出力(揚・排水機場 条件)(kW) |
760 | 875 | ||
| 形式 | 立形直列水冷4サイクル | |||
| シリンダ数(Cyl.) | 6 | |||
| 内径x工程(mm) | Φ220x320 | |||
| 回転方向 | 出力軸(ハズミ車)側より見て左 (右:オプション) | |||
| 使用燃料油 | JIS 1種2号相当以上(A重油 セタン価≧45) | |||
| 使用潤滑油 | APIサービス分類CE級またはCD級 | |||
| 始動方式 | エアモータ式 | |||
| 燃焼方式 | 直接噴射式 | |||
| 潤滑方式 | 歯車ポンプによる自動注油式 | |||
| 冷却方式 | 強制循環清水冷却式 | |||
| 過給方式 | 排気ガスタービン(空気冷却器付) | |||
| 備考 | 標準の排気口径(A) | 350 | ||
| 排気許容背圧(Pa) | 4900以下(揚・排水機場条件:3430以下) | |||
| 乾燥質量(kg) | 13500 | |||
| 項目 | 6EY22ALW | |||||
|---|---|---|---|---|---|---|
| 駆動 ユニット |
ディーゼル エンジン |
回転速度(min-1) | 1000 | |||
| 定格出力(メーカー標準 条件)(kW) |
880 | 1020 | 1180 | 1235 | ||
| 定格出力(揚・排水機場 条件)(kW) |
835 | 965 | 1120 | 1170 | ||
| 形式 | 立形直列水冷4サイクル | |||||
| シリンダ数(Cyl.) | 6 | |||||
| 内径x工程(mm) | Φ220x320 | |||||
| 回転方向 | 出力軸(ハズミ車)側より見て左 (右:オプション) | |||||
| 使用燃料油 | JIS 1種2号相当以上(A重油 セタン価≧45) | |||||
| 使用潤滑油 | APIサービス分類CE級またはCD級 | |||||
| 始動方式 | エアモータ式 | |||||
| 燃焼方式 | 直接噴射式 | |||||
| 潤滑方式 | 歯車ポンプによる自動注油式 | |||||
| 冷却方式 | 強制循環清水冷却式 | |||||
| 過給方式 | 排気ガスタービン(空気冷却器付) | |||||
| 備考 | 標準の排気口径(A) | 350 | ||||
| 排気許容背圧(Pa) | 4900以下(揚・排水機場条件:3430以下) | |||||
| 乾燥質量(kg) | 13500 | |||||
- メーカー標準条件と揚・排水機場条件とは、定格出力が異なりますのでご注意ください。
- メーカー標準条件は、大気圧力1000hPa,周囲温度5~40℃の場合です。
- 揚・排水機場条件は、大気圧力920hPa,周囲温度5~37℃の場合です。
- 仕様・数値は、改良・改善などのため予告なく変更する場合があります。
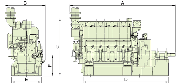
外形寸法
外形寸法(単位:mm)

| 記号 | 6EY18(A)LW | 6EY22(A)LW |
|---|---|---|
| A | 4100 | 4750 |
| B | 1500 | 1800 |
| C | 2090 | 2600 |
| D | 3030 | 3700 |
| E | 1060 | 1260 |
| F | 750 | 900 |