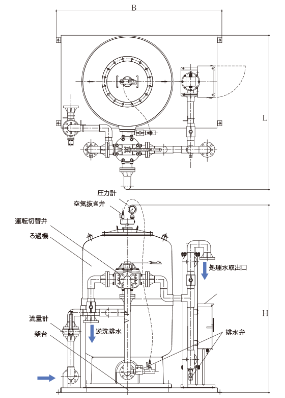
外形寸法図
外形寸法図
(単位:mm)

| 形式 | UPF3.5E | UPF5E | UPF10E | UPF20E | UPF3.5E-1 | UPF5E-1 | UPF10E-1 | UPF20E-1 | UPF20E-2 |
|---|---|---|---|---|---|---|---|---|---|
| 寸法 (B×L×H)(mm) |
1250× 880× 1695 |
1350× 980× 1730 |
1700× 1330× 1965 |
1950× 1754× 2241 |
1250× 966× 1695 |
1350× 1066× 1730 |
1700× 1582× 1965 |
1950× 1926× 2241 |
2250× 1926× 2241 |